제품 리스트
- Universal Joints
- Other Spindle
Gear Spindle
상세정보
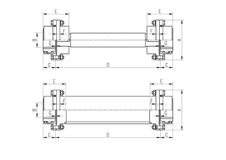
| G-Type | Td (kgf.m) | S (rpm max) | A | B min | B max hub | B max flange | C | D min | E | F | G |
|---|---|---|---|---|---|---|---|---|---|---|---|
| 10 | 86 | 8,000 | 116 | 13 | 48 | 60 | 43 | 133 | 87 | 14 | 4 |
| 15 | 193 | 6,500 | 152 | 19 | 60 | 75 | 49 | 259 | 99 | 19 | 4 |
| 20 | 358 | 5,600 | 178 | 25 | 73 | 92 | 62 | 197 | 124 | 19 | 4 |
| 25 | 644 | 5,000 | 213 | 32 | 92 | 111 | 77 | 241 | 156 | 22 | 5 |
| 30 | 1,074 | 4,400 | 240 | 38 | 105 | 130 | 91 | 279 | 184 | 22 | 5 |
| 35 | 1,647 | 3,900 | 279 | 51 | 124 | 149 | 106 | 324 | 214 | 28 | 6 |
| 40 | 2,507 | 3,600 | 318 | 64 | 146 | 171 | 121 | 419 | 243 | 28 | 7 |
| 45 | 3,437 | 3,200 | 346 | 76 | 165 | 194 | 135 | 508 | 274 | 28 | 8 |
| 50 | 4,655 | 2,900 | 389 | 89 | 178 | 222 | 153 | 533 | 309 | 38 | 9 |
| 55 | 6,088 | 2,650 | 425 | 102 | 197 | 248 | 168 | 572 | 350 | 38 | 9 |
| 60 | 7,878 | 2,450 | 457 | 114 | 222 | 267 | 188 | 597 | 384 | 25 | 10 |
| 70 | 11,459 | 2,150 | 527 | 89 | 254 | 305 | 221 | 673 | 454 | 28 | 13 |