Product List
- Universal Joints
- Other Spindle
Fork Type
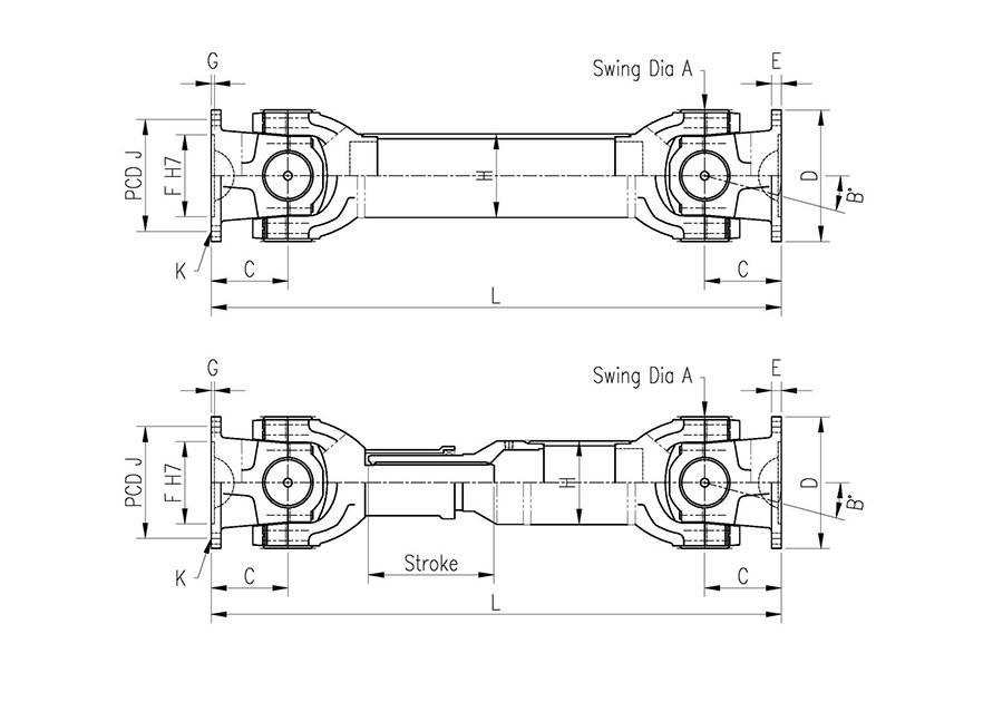
Detail
| S-Type A | Td (kgf.m) | Ts (kgf.m) | B | C | D | E | F | G | H | J | K | L min |
|---|---|---|---|---|---|---|---|---|---|---|---|---|
| 100 | 180 | 240 | 25 | 48-58 | 100 | 6.5 | 57 | 3 | 36 | 84.0 | 6-8 | 440 |
| 120 | 300 | 420 | 25 | 56-70 | 120 | 8.0 | 75 | 3 | 70 | 101.5 | 8-10 | 490 |
| 150 | 690 | 880 | 25 | 90 | 150 | 10.0 | 90 | 3 | 100 | 130.0 | 8-12 | 640 |
| 180 | 1,500 | 2,100 | 25 | 85-100 | 180 | 12 | 110 | 3 | 104 | 155.5 | 8-14 | 670 |
| 200 | 1,900 | 2,800 | 25 | 110 | 180 | 30 | 110 | 3 | 144 | 155.5 | 10-16 | 695 |
| 225 | 2,600 | 3,300 | 25 | 108 | 225 | 30 | 140 | 5 | 144 | 196.0 | 8-16 | 735 |
| 250 | 3,000 | 4,000 | 25 | 125 | 250 | 45 | 140 | 6 | 162 | 218.0 | 8-18 | 860 |