P사

실적사례

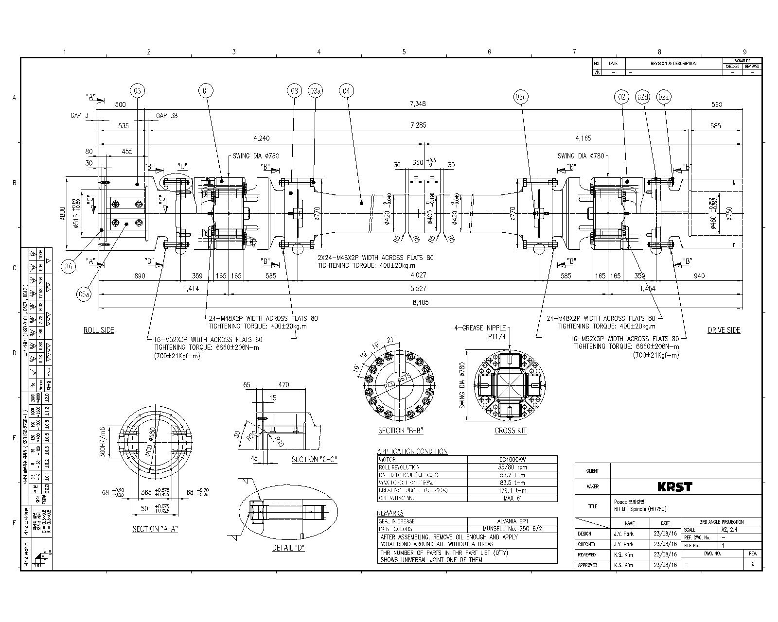
PH강편
BDM Spindle (HD780)

PH강판부 BDM No1 Spindle의 최초 설비는 일본 A사에서 개발한 Spindle을 사용을 했습니다.
A사의 U-Joint는 조립시 사용되는 Bolt의 잦은 파손으로 인해 사용 Torque 대비 강도가 버티지 못하고,
압연시 생산량증대로Pass 빈도향상에 미흡하였습니다. Bolt 파손에 대한 강구책과 사용 Torque에 맞게끔 구조를 개선하고
Spare 구축도 용이하게 Flange Type으로 설계변경하여 2015년 국산화 개발을 성공하였습니다.

Application
Condition

  • Swing Dia (mm) 780
  • Type Block Type
  • Motor (Kw) 4000
  • Rpm 35/80
  • Angle (도) 6