P사

실적사례

GY 열연부
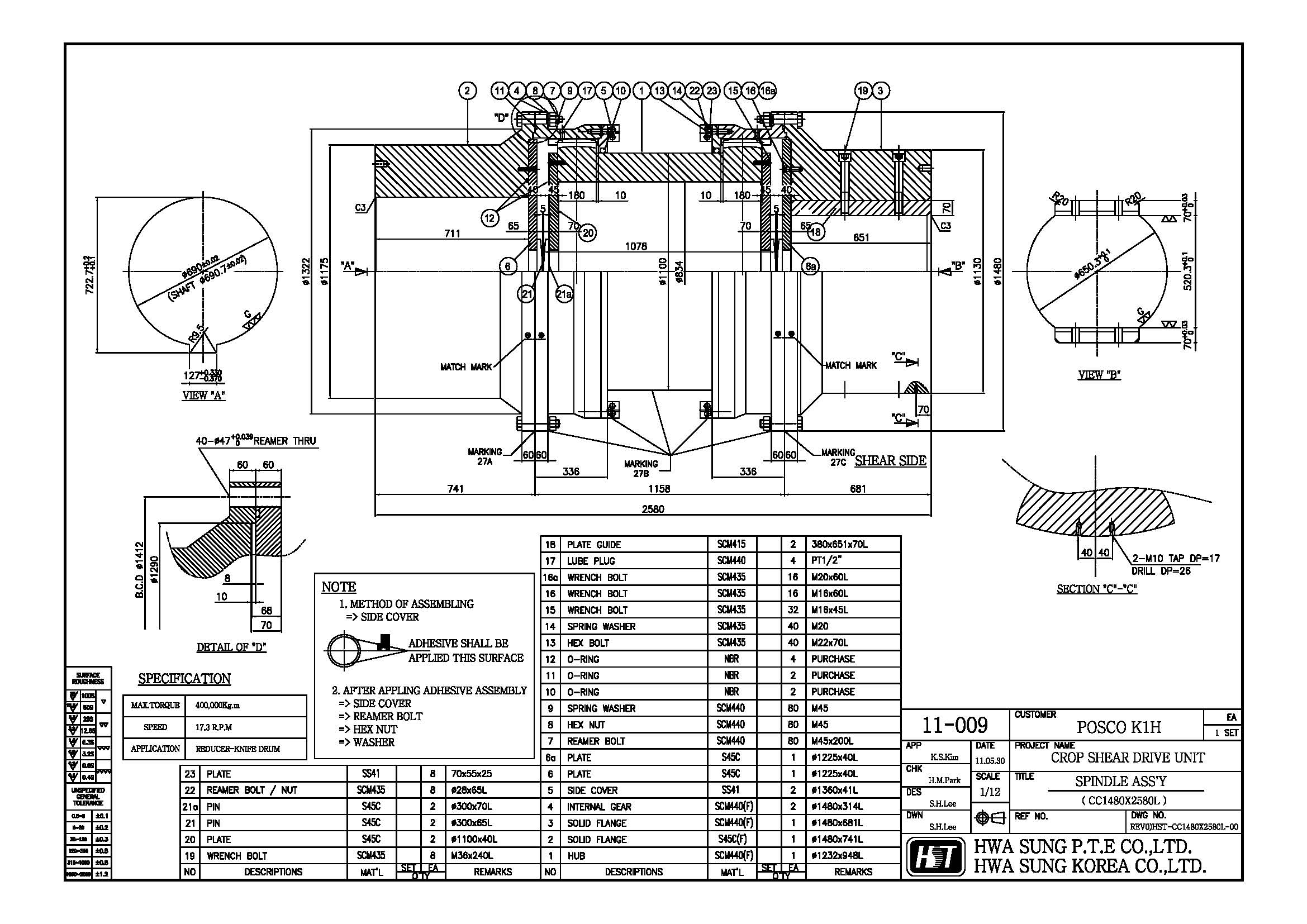
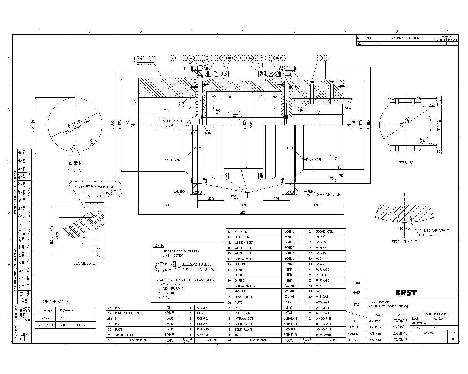
Crop Shear (CC1400)

Crop Shear Knife Drive Unit은 Billet (압연재)의 앞부분의 불량한 부분을 절단하여 Coil을 형성하는데 사고를 방지하고, 작업효율을 능률적으로 할 목적으로 설치된 설비 입니다. Billet을 강한 힘으로 절단하는 목적이기에 가장 큰 힘을 적용이 되며, 그에 Universal Joint가 아닌 Gear로 사용하는게 보편적입니다. Gear부의 지속한 마모와 파손이 자주 발생하기에, 수리 및 납품이 원활한 국내제작이 필요하였고 2011년 외자품을 역설계하여 호환성을 맞추고 Gear치면의 마모를 강화하기 위해 소재및 열처리를 향상하여 공급을 하였습니다.

Application
Condition

  • Size 1480 mm
  • Max Torque (kgf.m) 550,000 kgf.m
  • Type Gear Coupling
  • RPM 17.3 rpm
  • GD2 15,500kg -㎡