P사

실적사례

GY 냉연부
HD490

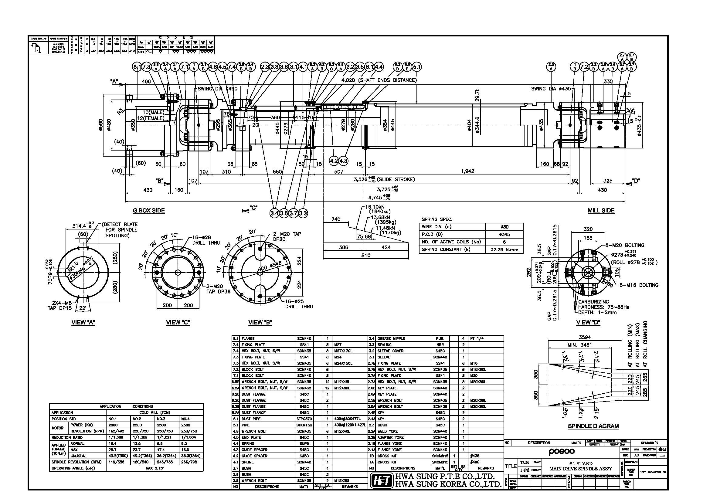
냉연부에 사용되는 TCM Stand Line의 역할은 열연강판을 산으로 세척한뒤 다시 Mill로 압연구동을 하여 표면이 매끈하고,
광택이 나게 만든 강판을 만드는 설비입니다.이에 Motor와 Roll 사이를 연결해주는 Spindle은 열연과는 다르게 강한 Torque 전달뿐만 아니라
회전시 매끈한 강판에 흠이 발생이 않는 정적인 고속회전이 가장 중요시 되는 사항입니다.
2009년 국산화 개발을 하여 Test 결과 개발성공을 하여 그계기로 약 15년간 P사 냉연부서의 신규품 제작 및 수리품을 도맡아 고품질 & 합리적가격 & 신속한 납기로 공급을 하고 있습니다.

Application
Condition

  • Swing Dia (mm) 490(감속기), 435 (롤)
  • Type Block Type
  • Motor (Kw) 900
  • Rpm 300/1500
  • Angle (도) 10