P社

実績事例
(じっせきじれい)

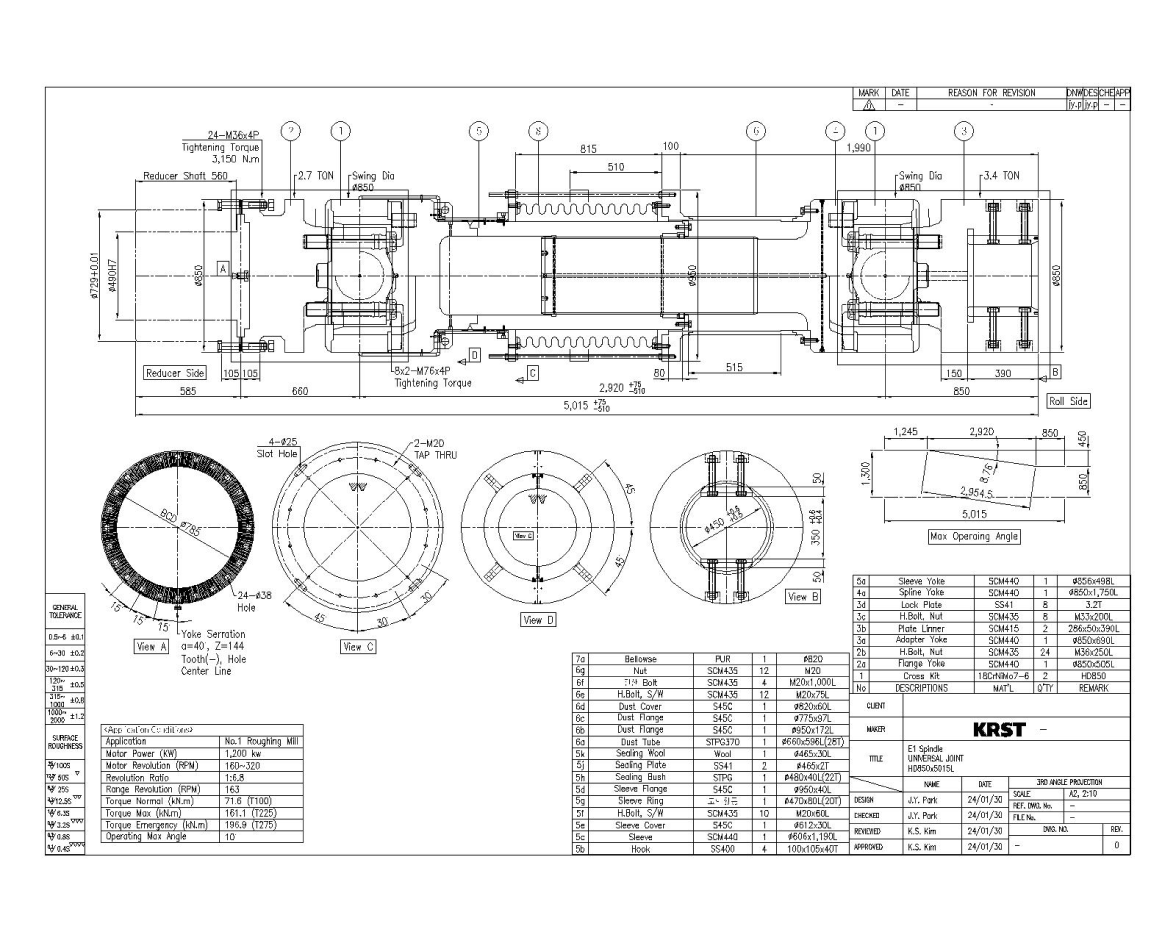
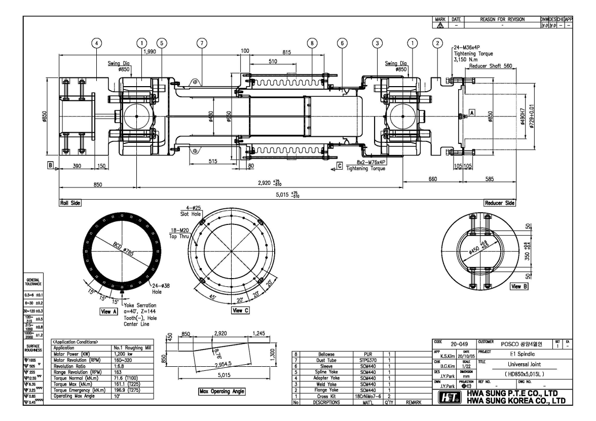
光陽4高炉 E1スピンドル
(HD850)

POSCO光陽4高炉のラフミルで使用されるエッジャースタンドは、スラブの左右の幅を圧延する重要な設備です。その中で、最初の幅圧延を行うE1スピンドルは先端に位置しており、最も高い負荷を受けるため、高い負荷トルクがかかります。これまでは外部設備に完全に依存していましたが、2018年に国産化が実現し、現在では主要なスピンドルとして使用されています。

期待される効果 : 外部納期: 15ヶ月 / 国産化納期: 4ヶ月

適用条件

  • Swing Dia (mm) 850
  • Type Block Type
  • Motor (Kw) 1200
  • Rpm 160/320
  • Angle (度) 10