P社

実績事例
(じっせきじれい)

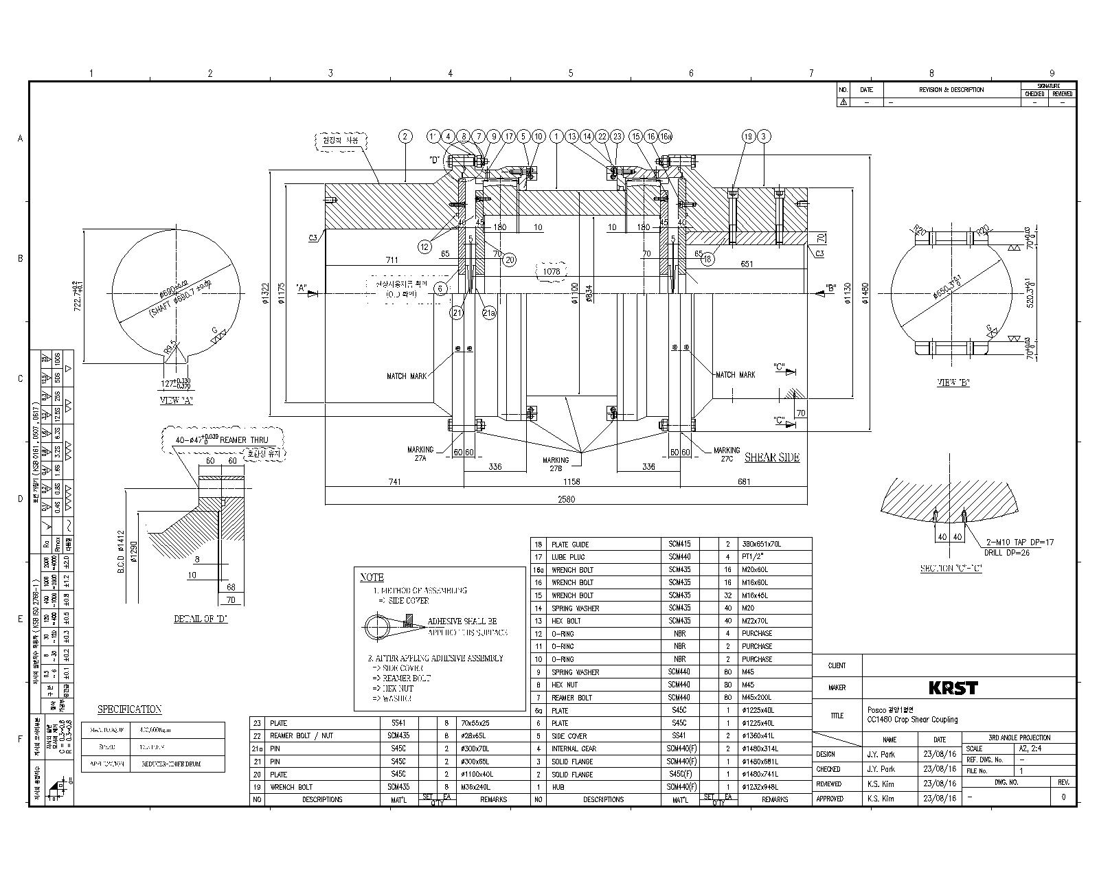
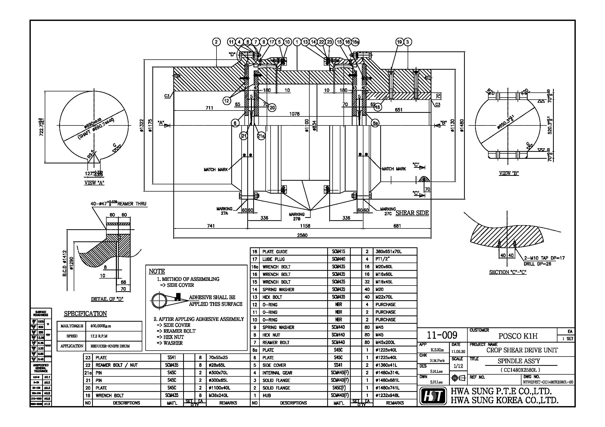
光陽熱間圧延用クロップシャー
(CC1400)

クロップシャーナイフドライブユニットは、ビレット(圧延材)の先端の不良部分を切断し、コイルを形成するために設置された設備です。この設備は、事故を防止し、作業効率を向上させることを目的としています。

ビレットを強い力で切断するため、一般的にユニバーサルジョイントではなくギアが使用されます。しかし、ギア部分の継続的な摩耗や破損が頻繁に発生するため、修理および納品が円滑に行える国内製造が必要とされました。2011年には、輸入部品をリバースエンジニアリングして互換性を確保し、ギア歯面の摩耗を強化するために素材および熱処理を改良し、国内供給を実現しました。

適用条件

  • Size 1480 mm
  • Max Torque (kgf.m) 550,000 kgf.m
  • Type Gear Coupling
  • RPM 17.3 rpm
  • GD2 15,500kg -㎡