P社

実績事例
(じっせきじれい)

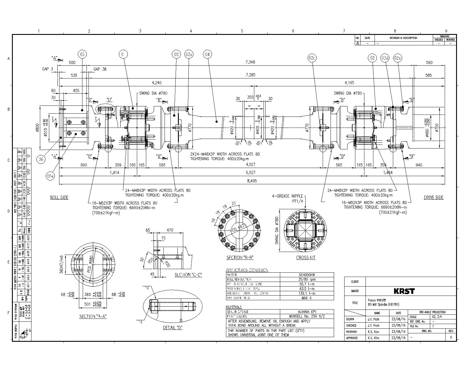
ポハン鋼板 BDM スピンドル
(HD780)

ポハン鋼板部 BDM No.1 スピンドルの初期設備には、日本のAntum社が開発したスピンドルが採用されていました。しかし、Antum社のUジョイントは、組み立て時に使用されるボルトの頻繁な破損により、使用トルクに対する強度を十分に維持できず、圧延時の生産量増加に伴うパス頻度の向上にも対応できませんでした。

これらの課題を解決するため、ボルト破損への対策を講じるとともに、使用トルクに適合するよう構造を改良し、スペア部品の管理を容易にするためにフランジタイプへ設計を変更しました。その結果、2015年に国産化開発に成功しました。

適用条件

  • Swing Dia (mm) 780
  • Type Block Type
  • Motor (Kw) 4000
  • Rpm 35/80
  • Angle (度) 6