Company P

Achievement Case

Gwangyang Cold Rolling Division
HD490

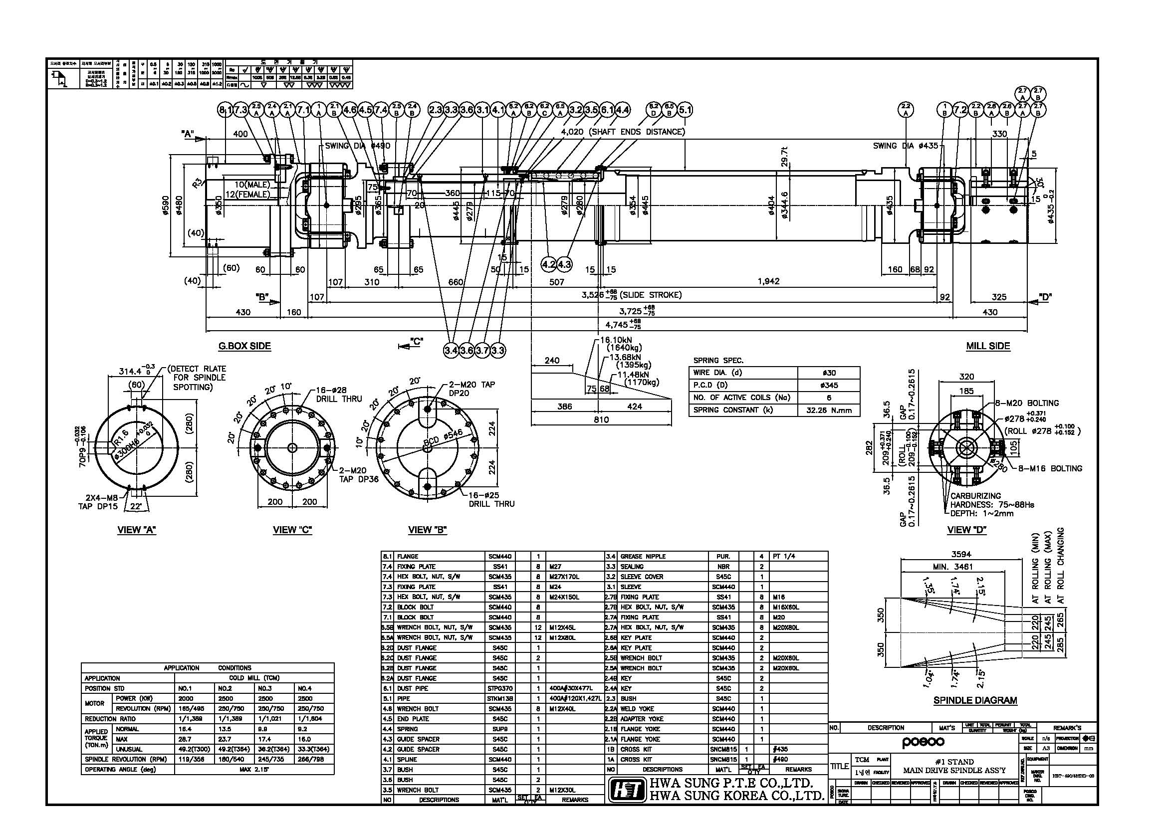
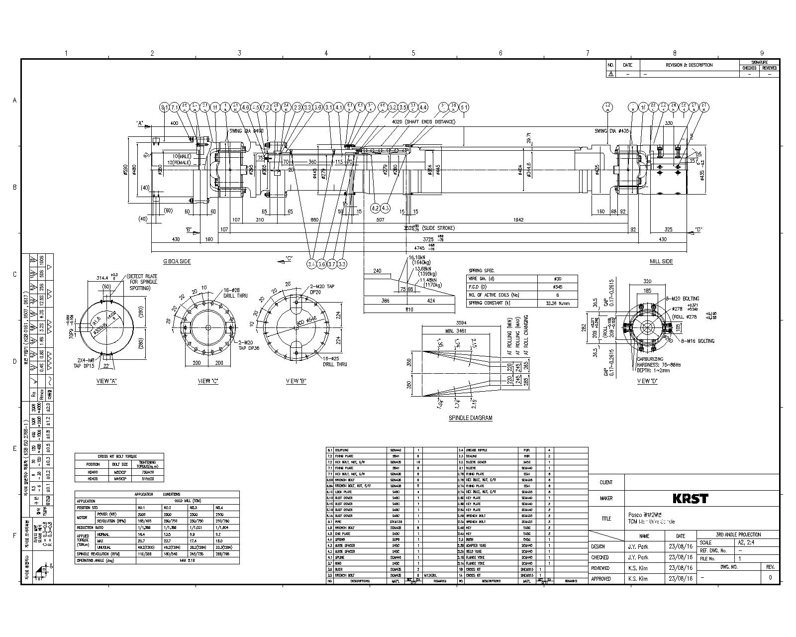
The TCM Stand Line in the cold rolling division is a critical system designed to produce steel sheets with smooth and glossy surfaces. This is achieved by cleaning hot-rolled steel sheets with acid, followed by re-rolling them through the mill. Unlike hot rolling processes, the spindle that connects the motor to the roll must not only transmit high torque but also ensure stable, high-speed rotation to prevent any surface defects on the smooth steel sheets.

In 2009, a domestically developed spindle was successfully tested and implemented. Since then, for approximately 15 years, the production of new components and repair services for POSCO's cold rolling division have been exclusively handled, ensuring the supply of high-quality products at reasonable prices with prompt delivery.

Application
Condition

  • Swing Dia (mm) 490(Reducer) ,435 (Roll)
  • Type Block Type
  • Motor (Kw) 900
  • Rpm 300/1500
  • Angle (°) 10